一、传输线电报方程

和直流不同,当导线上传输信号频率较高且导线长度与信号波长在同一数量级时,需要考虑导线中分布的电阻、电容、电感和漏电所带来的影响。以平行双线为例推导传输线上电压电流变化规律中分布的电阻、电容、电感和漏电所带来的影响。

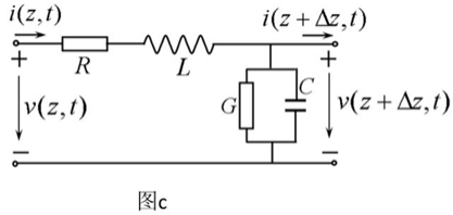
在平行双线中,情况等效为上图所示电路。两端的电流不同,主要原因是两线之间的寄生电容引起充放电,从而引起电流的变化;同时介质损耗引起的漏电流是另一个原因。两端电压也不同,主要是线上寄生的串联电感引起的充放电引起;同时导体损耗也引起部分压降。压降来自串联部分寄生参数,电流变化来自并联寄生参数。假设:传输线是均匀的。均匀传输线沿线的电介质性质、导体截面、导体间的几何距离处处相同。任意位置的寄生参数保持相同,并且系统是非时变的。
设传输线单位长度的寄生电感、电容、阻抗(导线损耗)和导纳(线间电漏)分别为:
方程右边第二项为线间漏电带走的电流,第三项为电压变化引起电容充放电所产生的电流。
根据基尔霍夫电压定律:
方程右边第二项为电阻压降,第三项为电感由于电流变化引起的压降。
然后方程两边进行化简,得到:
因此,传输线的电报方程为:
二、理想传输线电报方程
对于理想传输线,电阻和导纳的影响很小,即
然后结合两公式,可以得到:
可以发现,对于理想传输线,电流和电压均满足波动方程,令
当给定初始条件后,可以使用行波法来进行求解。分析初始条件时,要经常用到下面的关系: