一、电路和电路的基本物理量
1、电路
-
电路——由电源、开关、连接导线和负载等组成。
-
强电电路——电压较高、电流和功率较大;实现电能的传输和转换(如电力系统等)。
-
弱电电路——电压较低、电流和功率较小;实现信号的传递和处理(如扩音系统等)。
2、电路元件和电路模型
实际的电路元件,例如电感,,除了电感本身的功能,实际上存在寄生电容和寄生电阻,通常做理想处理,只关注其电感。
3、电流、电压及其参考方向
电流的实际方向,习惯上规定为正电荷移动的方向;电流的参考方向为假定方向,也称正方向。
对于复杂电路,各电流的实际方向未知,所以要设电流的参考方向,如果电流为正值,则表示电流的实际方向和参考方向相同;如果电流为负值,则电流的实际方向和参考方向相反。
电动势
电路中人为规定零电位点,使用符号
电压的实际方向为高电位指向低电位的方向,电压的参考方向是假定方向,由“
4、电路功率
电路的功率为电场力在单位时间里所做的功,若某个元件或某段电路的电压和电流分别为
若电路功率大于
5、电能
根据功率与能量的关系,在
二、电阻、电感和电容元件
1、两元件串并联时的参数计算
串联:
并联:
2、实际元件的主要参数及电路模型
(1) 主要参数
- 电阻器:标称电阻值、额定功率
- 电感器:标称电感值、额定电流
- 电容器:标称电容值、额定电压
(2) 实际电路模型
实际电路模型是理想元件模型的不同组合:
-
电容器模型:

-
电感器模型:

三、电压源和电流源
1、理想电压源
上图左侧为理想电压源表示符号。
2、理想电流源
上图左侧为理想电流源表示符号。
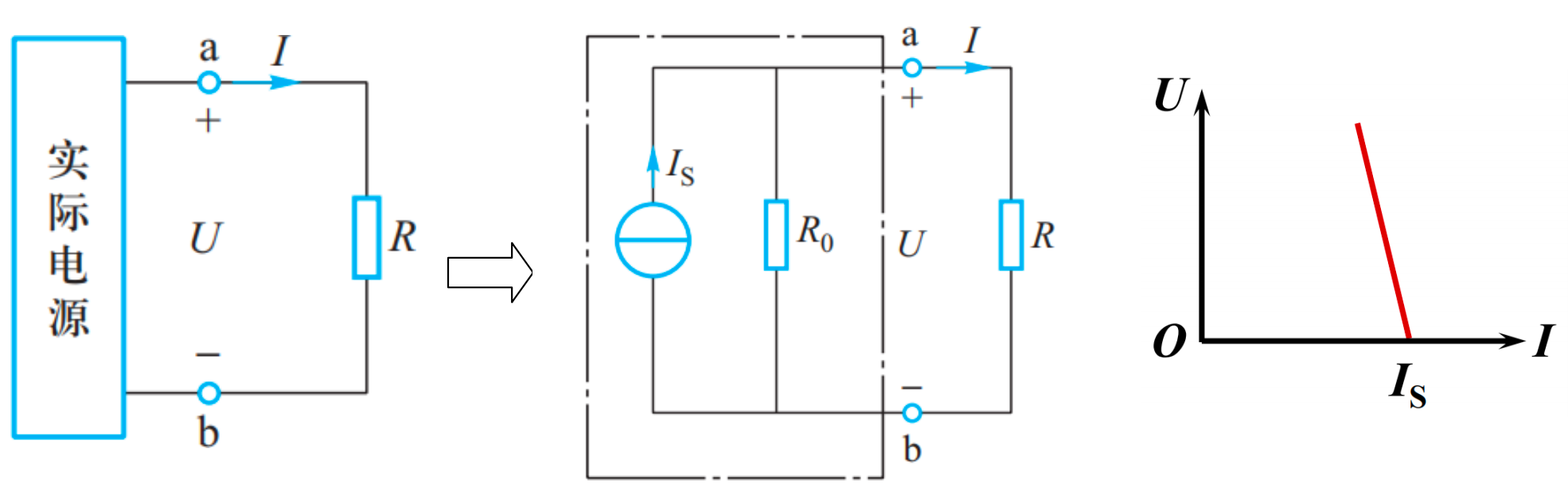
3、实际电压源

上图左半部分为模型转化示意,右图为其伏安特性曲线。满足公式:
端电压随着电流增加而减小。当
4、实际电流源

上图左半部分为模型转化示意,右图为其伏安特性曲线。满足公式:
端电流随着电压的增加而减小。当
5、两种实际电源模型的等效互换
等效,要求对外电路等效;互换,表示实际电压源可以变换为实际电流源,实际电流源可以变换为实际电压源。但是理想的电压源和电流源之间不能相互转换,其原因在于实际电压源和电流源的伏安特性曲线均存在斜率,而理想电压源和电流源的伏安特性曲线平行于坐标轴。
下图为互换示意图,注意

TIP
两者等效互换时需要注意以下几点:
- 当理想电压源和电流源串联时,电流按电流源计算;当理想电压源和电流源并联时,电压按电压源计算。
- 两个电流值不同的理想电流源不能串联;两个电压值不同的理想电压源不能并联。
- 和理想电压源串联的电阻,可看成电源的内阻;和理想电流源并联的电阻,可看成电源的内阻。
- 和理想电压源并联的电阻,计算电压时可忽略;和理想电流源串联的电阻,计算电流时可忽略。
四、二极管
1、PN结及其单向导电性
(1) 本征半导体
完全纯净的具有晶体结构的半导体称为本征半导体。纯净的半导体有硅、锗、碳化硅、氮化镓等,载流子为自由电子(带负电)和空穴(带正电)。在半导体中同时存在着自由电子和空穴,两者数量相等,自由电子和空穴称为载流子,它们成对出现,成对消失。
(2) P型半导体和N型半导体
P型半导体是在纯净的半导体硅、锗中掺入少量三价元素,多数载流子为空穴带正电。在P型半导体中,空穴多余电子;空穴是多子,电子是少子。
N型半导体是在纯净的半导体硅、锗中掺入少量五价元素,多数载流子为电子带负电。在N型半导体中,电子多于空穴;电子是多子,空穴是少子。
(3) PN结的形成
用专门的制造工艺在同一块半导体单晶上,形成P型半导体区域和N型半导体区域,在这两个区域的交界处就形成一个PN结。
由于扩散作用,N区电子浓度高,P区空穴浓度高,N区的电子向P区扩散并于空穴复合,P区的空穴向N区扩散并于电子复合,这种现象叫做多子扩散。另一个,由于扩散作用,存在少子漂移运动,同时在内电场的作用下,少子的漂移运动被推动,多子的扩散运动被阻挡,在一定条件下,多子扩散和少子漂移达到动态平衡,空间电荷区的宽度基本上稳定。
(4) PN结的单向导电性
在外加正向电压的条件下(N区接入负极,P区接入正极),多子的运动增强,空间电荷区变窄,导电能力更强,形成较大的正向电流。
在外加反向电压的条件下(P区接入负极,N区接入正极),外电场驱使空间电荷区两侧的空穴和自由电子移走,空间电荷区变宽,导电能力变弱,少子越过PN结形成了很小的反向电流。
即PN结具有单向导电性。
2、二极管的特性与主要参数
(1) 二极管特性
二极管由一个PN结组成,存在两个电极:阳极和阴极。二极管两端的电压与流过的电流之间存在如下伏安特性曲线:
二极管在外加正向电压的条件下,存在一个死区,电压小,基本不导通,硅管
(2) 二极管的主要参数
- 最大正向电流
:指二极管长期工作时允许通过的最大正向平均电流。 - 最高反向工作电压
:二极管使用时实际承受的反向电压不应超过此值,以防发生反向击穿。(有时会利用这种特性) - 反向电流
:是二极管质量指标之一。 - 最高工作频率
:由于PN结存在结电容,二极管在高频应用时,二极管的单向导电性将变差,因此二极管存在一个最高工作频率。
(3) 二极管的工作点和理想特性
上面左图为二极管正向导通电路图,右边为等效电源和二极管的伏安特性曲线图,根据图像,可以得到二极管的工作点满足的方程:
其中
上述讨论为实际情况,在理想情况下,我们采用两种近似处理:
分析二极管电路的关键在于判断二极管是否导通。对于单个二极管的情况,计算阳极电位是否高于阴极电位足够大小;对于多个二极管的情况,如果阳极接于同一点(同电位)则阴极电位最低的优先导通,如果阴极接于同一点(同电位)则阳极电位最高的优先导通。
(4) 稳压二极管
上图为稳压二极管的伏安特性曲线。其正常工作区域在第三象限,反向击穿区特性曲线陡直,即稳压区。稳压二极管的主要参数包括:稳定电压
上图为稳压二极管的稳压电路,其稳压条件为
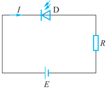
(5) 发光二极管与光电二极管
发光二极管是一种能将电能转换成光能的器件,简称LED,正向导通后发光。
上图为发光二极管电路,导通压降大于普通二极管通常在
光电二极管是一种将光能转换成电流的器件,其PN结封装在具有透明聚光窗的管壳内。光照射后导通,导通电流与光照强度相关。光电二极管使用时要反向接入电路中,即阳极接电源负极,阴极接电源正极。
上图为光电二极管电路,无光照情况下,电流很小(暗电流),收到光照后,反向电流增大(光电流)。
五、双级晶体管
1、基本结构和电流放大作用
双级晶体管简称晶体管、三极管。下图为两种型号的三极管基本结构与符号:
双级晶体管有两个PN结,分别为发射结和集电结;有三个电极:发射极E、基极B、集电极C;三个区:发射区(杂质浓度高,多数载流子最多)、集电区(杂质浓度高,但是比发射区稍低)、基区(杂质浓度相对较低)。
双级电极管有电流放大作用,其条件为:发射结正向偏置,集电结反向偏置。观察上图电路,在
上图电路中,
2、特性曲线
研究的电路图如下:
下图为输入特性曲线,
下图为输出特性曲线,
在输出特性曲线中存在截止区
3、主要参数
-
电流放大系数:
交 流 -
穿透电流
:基极开路时,集电极到发射极间的反向截止电流。 -
集电极最大允许电流
。 -
集电极最大允许耗散功率
。 -
集电极—发射极反向击穿电压
4、简化的小信号模型
(1) 受控源
受控源是非独立电源,输出电压或电流受电路中另一电压或电流的控制。存在四种类型:电压控制电压源(VCVS)、电压控制电流源(VCCS)、电流控制电压源(CCVS)、电流控制电流源(CCCS),符号如下:
(2) 晶体管的简化小信号模型
晶体管工作在放大区,即
TIP
电路中存在关系:
上式中
六、绝缘栅场效应晶体管(MOSFET)
双级晶体管作为电流控制型器件,存在如下缺点:
- 存在基极电流,驱动损耗大。
- 结电容大,开关速度慢。
- 饱和区运行时损耗高发热大。
所以要发明绝缘栅场效应晶体管。
1、基本结构和工作原理
(1) 基本结构
MOSFAT分为:N沟道绝缘栅场效应管(NMOS)和P沟道绝缘栅场效应管(PMOS)。或者分为:增强型绝缘栅场效应管和耗尽型绝缘栅场效应管。
耗尽型NMOS管结构如下图所示:
上图中,G(Gate)为栅极,S(Source)为源极,D(Drain)为漏极。在二氧化硅绝缘层中掺入大量正离子,不加
对于增强型NMOS管结构,在二氧化硅绝缘层中掺入少量正离子,尚未形成导电沟道,只有加入足够大的
(2) 工作原理
下面继续研究耗尽型NMOS,在
对耗尽型NMOS,
2、特性曲线
输出特性:
转移特性:
3、主要参数
- 夹断电压
—耗尽型MOS管参数 - 开启电压
—增强型MOS管参数 - 饱和漏极电流
—耗尽型MOS管参数 - 低频跨导
常 数 - 最大漏极电流
- 最大耗散功率
- 最大漏-源极击穿电压
- 栅源直流电阻
4、简化的小信号模型
栅源电阻很大,栅极电流